Change Language :

Fast delivery, cost-effective and customised
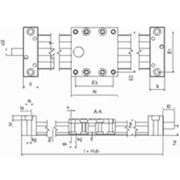
Linear modules can be used to precisely adjust a position on a work surface. This is now even easier with drylin® SLW-XY. igus has developed ready-to-install XY tables that are suitable for the desired work surface.
The SLW-XY XY tables are available in four installation sizes. Components from the drylin® W linear modular system are used as linear guides.
SLW-XY-0620
Max. stroke length: 150mm
Clearance-free and anti-reflex versions also available

SLW-XY-0630
Max. stroke length: 150mm
Carriage length: 54mm

SLW-XY-0660
Max. stroke length: 300mm
Carriage length: 84mm

SLW-BB-XY-1030
Max. stroke length: 200mm
Carriage length: 48mm

SLW-XY-ESJ-1040
Max. stroke length: 300mm
Carriage length: 73mm

SLW-XY-1040/-PL
Max. stroke length: 300mm
Carriage length: 73mm
PL= preload version available as an option

SLW-XY-1080/-PL
Max. stroke length: 300mm
Carriage length: 107mm
PL= preload version available as an option

SLW-XY-10120
Max. stroke length: 500mm
Robust, wide load-bearing surface

SLW-XY-2080
Max. stroke length: 500mm
Carriage length: 134mm
Preload version available as an option



In person:
Monday to Friday from 7 am - 17 pm.
Saturdays from 8 am- 12 pm.
Online:
24h
WhatsApp-Service:
Montag – Freitag: 8 – 16 Uhr